我公司多年來采用優質材料和先進的工藝技術專業生產160VA到10KVA之間,JSG系列三相干式變壓器,是我公司參照西門子公司同類產品最新研制開發數控系統用變壓器,尤其160VA-10KVA之間的三相干式變壓器,產品外形安裝尺寸已經標準化,與西門子4PA系列通用,產品復合VDE0550、IEC439、JB5555、GB5226等國際、國家標準。
JSG系列三相干式變壓器廣泛適用于交流50/60Hz,輸入、輸出電壓不超過500V的各種三相供電場合。
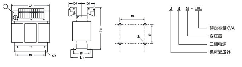
產品的各種輸入,輸出電壓的高低、聯接組別、調節抽頭的多少及位置(一般為±5%)、繞組容量的分配、次級單項繞組的配備、整流電路的運用、是否要求帶外殼等,均可根據用戶的要求進行精心的設計于制造。
| 型號 | 物料編碼 | 容量 KVA | b1 max | b2 max | d1 | d2 | h1 max | L1 max | n1 | n2 |
| JSG-0.16 | 6010001 | 0.16 | 64 | 50 | 5x8 | M4 | 140 | 122 | 49 | 90 |
| JSG-0.25 | 6010002 | 0.25 | 67 | 48 | 6x12 | M5 | 162 | 156 | 49 | 113 |
| JSG-0.4 | 6010003 | 0.4 | 82 | 56 | 6x12 | M5 | 162 | 156 | 64 | 113 |
| JSG-0.63 | 6010004 | 0.63 | 76 | 51 | 7.4x13 | M6 | 187 | 181 | 56 | 136 |
| JSG-1 | 6010005 | 1 | 97 | 61 | 7.4x13 | M6 | 187 | 181 | 76 | 136 |
| JSG-1.6 | 6010006 | 1.6 | 115 | 98 | 7.4x13 | M6 | 214 | 229 | 94 | 170 |
| JSG-2.5 | 6010007 | 2.5 | 133 | 102 | 10x18 | M8 | 241 | 264 | 101 | 200 |
| JSG-4 | 6010008 | 4.0 | 148 | 104 | 10x18 | M8 | 250 | 300 | 118 | 224 |
| JSG-6.3 | 6010009 | 6.3 | 155 | 129 | 10x18 | M8 | 320 | 360 | 118 | 264 |
| JSG-8 | 6010010 | 8 | 170 | 134 | 12x20 | M10 | 380 | 420 | 120 | 315 |
| JSG-10 | 6010011 | 10 | 170 | 134 | 12x20 | M10 | 380 | 420 | 120 | 315 |
1.容量100KVA以上,外形尺寸,安裝尺寸特質,訂貨請垂詢。
2.以上外形及安裝尺寸,為客戶作為選型之用,如客戶由于安裝空間限制,我司可根據客戶所需另行精心設計。
3.以上是常規尺寸,若變壓器輸出電流250A以上,則為大電流變壓器,需另行設計,外形及安裝尺寸會有所不同。


手機版官網