過濾器材料:ABS
阻燃等級:UL94-V0(可選)
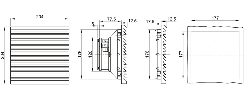
IP等級:IP54
| 型號 | TK3323.230-EMC | |
| 顏色 | RAL7035 | RAL7032 |
| 物料編碼 | 1011017 | 1011018 |
| 軸輪風機 | ZF-120S-230 | |
| 額定工作電壓(伏/赫茲) | 230/50/60 | |
| 空氣流量、自由吹風 | 55/56m3/h | |
| 軸流風扇 | 自動屏蔽磁極電動機 | |
| 額定電流(安) | 0.12/0.1 | |
| 功率(瓦) | 19/14 | |
| 噪音水平(分貝) | 50/52 | |
| 工作溫度范圍 | -10℃至+55℃ | |
| 出口過濾型號 | TK3323.300-EMC(RAL7035/RAL7032)1011023/1011024 | |
| 型號 | TK3323.115-EMC | |
| 顏色 | RAL7035 | RAL7032 |
| 物料編碼 | 1011019 | 1011020 |
| 軸輪風機 | ZF-120S-115 | |
| 額定工作電壓(伏/赫茲) | 115/50/60 | |
| 空氣流量、自由吹風 | 55/56m3/h | |
| 軸流風扇 | 自動屏蔽磁極電動機 | |
| 額定電流(安) | 0.24/0.20 | |
| 功率(瓦) | 18/15 | |
| 噪音水平(分貝) | 50/52 | |
| 工作溫度范圍 | -10℃至+55℃ | |
| 出口過濾型號 | TK3323.300-EMC(RAL7035/RAL7032)1011023/1011024 | |
| 型號 | TK3323.024-EMC | |
| 顏色 | RAL7035 | RAL7032 |
| 物料編碼 | 1011021 | 1011022 |
| 軸輪風機 | ZF-120B-024 | |
| 額定工作電壓(伏/赫茲) | 24(直流) | |
| 空氣流量、自由吹風 | 55/56m3/h | |
| 軸流風扇 | 直流電動機 | |
| 額定電流(安) | 0.30 | |
| 功率(瓦) | 3.5 | |
| 噪音水平(分貝) | 50/52 | |
| 工作溫度范圍 | -10℃至+55℃ | |
| 出口過濾型號 | TK3323.300-EMC(RAL7035/RAL7032)1011023/1011024 | |
備注:標配PA66塑料網罩,需要特殊電壓或者其他網罩可致電詢問本公司


手機版官網