材料:聚酯(PBT)
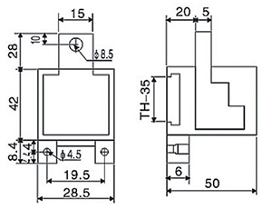
防護等級:IP20
專業為各小型斷路器、漏電斷路器、空氣開關組合使用。
| 型號 | 物料編碼 | 進線 | 出線 | |
| TK6N-100 /10-35/ 6x16 | 4012064 | 10-35mm2 | 1.5-16mm2 | 一路進, 六路出 |
| TK6N-100 /10-35/ 8x10 | 4012065 | 10-35mm2 | 1.5-10mm2 | 一路進, 八路出 |
| TK6N-100 /10-35/ 9x16 | 4012066 | 10-35mm2 | 1.5-16mm2 | 一路進, 九路出 |
| TK6N-100 /10-35/ 12x10 | 4012067 | 10-35mm2 | 1.5-10mm2 | 一路進, 十二路出 |


手機版官網