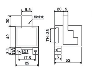
材料:聚酯(PBT)
防護等級:IP55
專業為各小型斷路器、漏電斷路器、空氣開關組合使用。
| 型號 | 物料編碼 | 進線 | 出線 | |
| TK6G /158/ 2x16 | 4012026 | (100型) 插針式 | 1.5-16mm2 | 一路進, 二路出 |
| TK6G /158/ 3x16 | 4012027 | (100型) 插針式 | 1.5-16mm2 | 一路進, 三路出 |
| TK6G /158/ 4x16 | 4012028 | (100型) 插針式 | 1.5-16mm2 | 一路進, 四路出 |
| TK6G /158/ 6x16 | 4012029 | (100型) 插針式 | 1.5-16mm2 | 一路進, 六路出 |
| TK6G /158/ 8x16 | 4012030 | (100型) 插針式 | 1.5-16mm2 | 一路進, 八路出 |
| TK6G /158/ 9x16 | 4012031 | (100型) 插針式 | 1.5-16mm2 | 一路進, 九路出 |


手機版官網