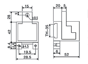
材料:聚酯(PBT)
防護等級:IP55
專業為各小型斷路器、漏電斷路器、空氣開關組合使用。
| 型號 | 物料編碼 | 進線 | 出線 | |
| TK6G-100 /10-35/ 2x25 | 4012032 | 10-35mm2 | 1.5-25mm2 | 一路進, 二路出 |
| TK6G-100 /10-35/ 3x16 | 4012033 | 10-35mm2 | 1.5-16mm2 | 一路進, 三路出 |
| TK6G-100 /10-35/ 4x16 | 4012034 | 10-35mm2 | 1.5-16mm2 | 一路進, 四路出 |
| TK6G-100 /10-35/ 6x16 | 4012035 | 10-35mm2 | 1.5-16mm2 | 一路進, 六路出 |
| TK6G-100 /10-35/ 8x10 | 4012036 | 10-35mm2 | 1.5-10mm2 | 一路進, 八路出 |
| TK6G-100 /10-35/ 9x16 | 4012037 | 10-35mm2 | 1.5-16mm2 | 一路進, 九路出 |
| TK6G-100 /10-35/ 12x10 | 4012038 | 10-35mm2 | 1.5-10mm2 | 一路進, 十二路出 |


手機版官網